700M Metric Bolt

700M Metric Bolt

  • Application: Widely used in hydraulic and fluid transfer systems in engineering, plastics, metallurgy, agriculture, military machinery, chemical, oilfield, marine and other industries.
  • Product Features: The product features excellent structure and advanced design

24 Hours Service Hotline

+86-0371-55157686

Data Display

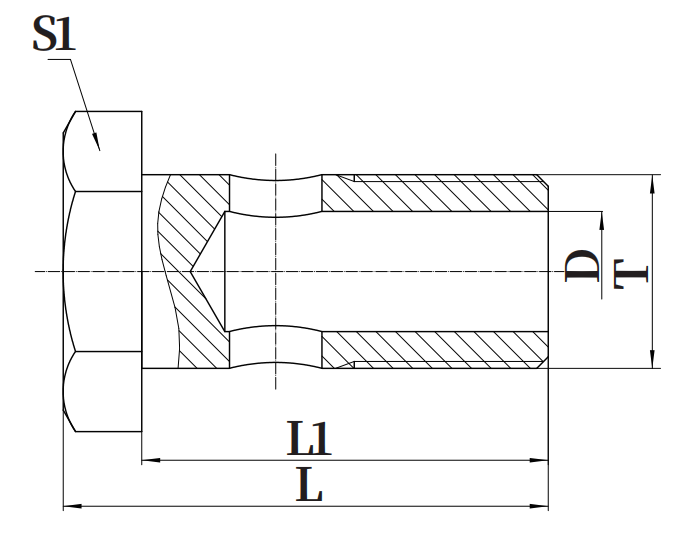
PART NO.THREAD TDIMENSIONS
LL1S1
700M-10M10X119.5614
700M-12M12X1.524.5617
700M-14M14X1.526619
700M-16M16X1.528.5622
700M-18M18X1.532.5624
700M-22M22X1.539827
700M-26M26X1.5461032
700M-30M30X1.5511036

Note: For use with 70011.

Get a quote

Please fill out the form below, and we will contact you within 24 hours.
*
*

We are online 24/7!

We will contact you within half an hour of receiving your inquiry call.

Inquiry Information

       
*        
*        
       

File download

Simply fill out the form below to download the file!

*
*